
مستشعر عالي التردد 5.8 جيجاهرتز ± 75 ميجاهرتز لتركيبات السقف مع تشغيل 220-240 فولت تيار متردد
ةكرام:
HAISEN.ال دنبلا:
HD01V)كوم( رمأ:
100pcsطسق:
L/C, T/T, Western Unionجتنملا لصأ:
Chinaشهادة:
CE,ROHS,TUV,REDمستشعر عالي التردد 5.8 جيجاهرتز ± 75 ميجاهرتز لتركيبات السقف مع تشغيل 220-240 فولت تيار متردد
ميزة:
مواصفة
مدخل | نطاق الجهد | 220~240 فولت تيار متردد 50/60 هرتز |
معلمات المستشعر | وقت الانتظار | 5 ثوانٍ/30 ثانية/دقيقة واحدة/5 دقائق/10 دقائق/20 دقيقة/30 دقيقة |
منطقة الكشف | 10%/50%/75%/100% | |
مستشعر ضوء النهار | 2 لوكس/10 لوكس/50 لوكس/تعطيل | |
ارتفاع التركيب | الحد الأقصى 6 أمتار (مثبتة في السقف) الحد الأقصى 3 أمتار (مثبتة على الحائط) | |
نطاق الكشف | الحد الأقصى للقطر 14 مترًا (مثبتًا في السقف) الحد الأقصى للقطر 10 أمتار (مثبتًا على الحائط) | |
المعلمات اللاسلكية | تردد التشغيل | 5.8 جيجاهرتز ±75 ميجاهرتز |
وظيفة | 0N/0FF+وظيفة التعتيم | |
بيئة التشغيل | درجة حرارة التشغيل | -20 درجة مئوية~+55 درجة مئوية |
السلامة والتوافق الكهرومغناطيسي | متطلبات الشهادة | CE، ROHS، TUV، الأحمر |
آحرون | ضمان | 5 سنوات |
تثبيت | تم تركيبها داخل المصابيح | |
تصنيف IP | IP20 | |
متطلبات التعبئة والتغليف | عبوة فقاعات، ورق مسطح، كرتون خارجي. | |
حياة | 50000 ساعة |
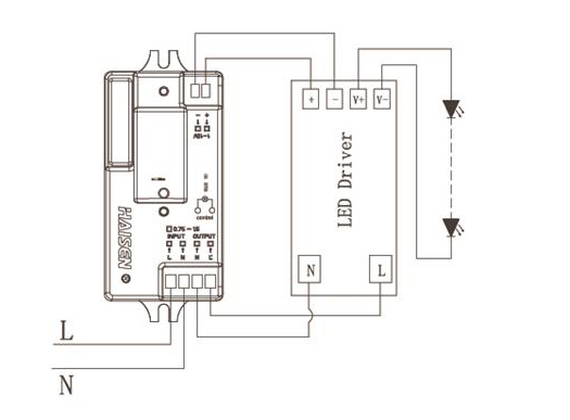
مخطط الأسلاك
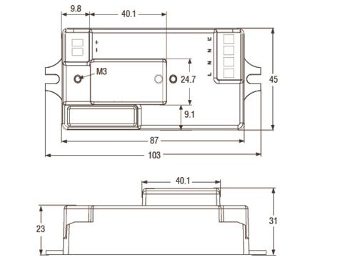
مقاس
تغطية الكشف
إعداد مفتاح DIP
العرض التوضيحي
قباس:
مستشعر حركة الميكروويف النهاري القابل للتعتيم يعمل بجهد 120-277 فولت تيار متردديلاتلا:
مستشعر حركة الميكروويف بتصميم نحيف للغاية 220-240 فولت تيار متردد للإضاءة ثلاثية المقاومة للماءإذا كان لديك أسئلة أو اقتراحات، يرجى ترك لنا رسالة، وسوف نقوم بالرد عليك في أقرب وقت ممكن!
تائف
ةديدج تاجتنم
مستشعر PIR IP65 12 فولت تيار مستمر مع وظيفة أولوية ضوء النهار ديزملا أرقا
مستشعر قابل للتبديل MW/PIR للخزانات العالية والمنخفضة ديزملا أرقا
مستشعر قابل للتبديل PIR/MW للخزانات العالية والمنخفضة ديزملا أرقا
مستشعر حركة الميكروويف بهوائي قضيب مع مفتاح DIP وبطانة وظيفة التشغيل والإيقاف بحجم صغير ديزملا أرقا
© رشنلاو عبطلا قوقح: 2025 Microtionlight ةظوفحم قوقحلا عيمج.
ةموعدم 6vPI ةكبش