تاجتنم
تيب

مستشعر حركة الميكروويف

سلسلة مصدر الطاقة DC

مدخل تيار مستمر، حجم صغير، سهل التركيب، وظيفة التعتيم، مستشعر الحركة

مدخل تيار مستمر، حجم صغير، سهل التركيب، وظيفة التعتيم، مستشعر الحركة

مدخل تيار مستمر بحجم صغير، سهل التركيب، مستشعر قابل للتعتيم

  • ةكرام:

    HAISEN
  • .ال دنبلا:

    HD021VCR
  • )كوم( رمأ:

    100PCS
  • طسق:

    L/C, T/T, Western Union
  • جتنملا لصأ:

    China
  • جتنملا ليصافت

مدخل تيار مستمر بحجم صغير، سهل التركيب، مستشعر قابل للتعتيم


مميزات المستشعر:

1. الإخراج: 5 فولت PWM (تدرج)

2. مع تردد 5.835 جيجاهرتز - 5.875 جيجاهرتز، لا يوجد تداخل مع إنترنت الجيل الخامس

3. أقصى قطر للكشف 10 أمتار مع أقصى ارتفاع للتركيب 4.5 متر

5. يتم اختبار جميع البيانات تحت سرعة الحركة 0.5~1 متر/ثانية

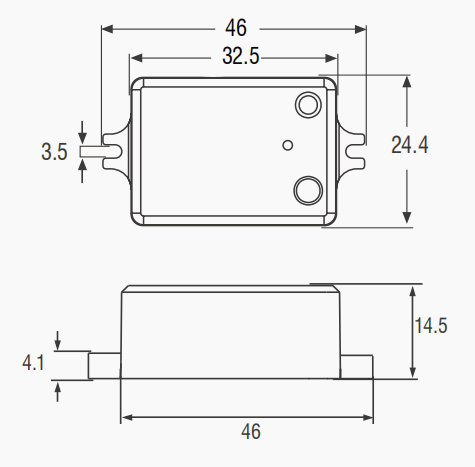
5. حجم صغير جدًا 46*24.4*14.5 ملم ، مناسبة لجميع أنواع ضوء LED

6. 10 مستويات لضبط السطوع (10% لكل ضغطة)


وصف المنتج للمستشعر:

طريقة التحكم تشغيل/إيقاف / 5 فولت PWM (تدرج)
تردد الميكروويف 5.835 جيجاهرتز - 5.875 جيجاهرتز
جهد التشغيل 7-12 فولت تيار مستمر
الطاقة الاحتياطية ≤0.5 واط
طَرد عبوة الفقاعات، حجرات من الورق المقوى
تيار التشغيل <30 مللي أمبير ± 5%
طاقة الميكروويف <0.3 ميجا واط
درجة IP IP 20
درجة حرارة التشغيل -20 درجة مئوية~+60 درجة مئوية
ضمان 5 سنوات


الهيكل الميكانيكي من مستشعر الحركة:

منطقة الكشف قريب جدًا/قريب/متوسط/بعيد
وقت الانتظار إيقاف/30 ثانية/10 دقائق/30 دقيقة
عتبة ضوء النهار إيقاف/ غائم/غسق/ليل
فترة الاستعداد إيقاف/30 ثانية/10 دقائق/30 دقيقة
مستوى التعتيم في وضع الاستعداد ملحوظة: يتم تعيين مستوى التعتيم في وضع الاستعداد افتراضيًا على نصف سطوع وقت الانتظار. ينخفض الضوء تدريجيًا حتى ينطفئ.






الرسم الأبعادي (الوحدة: مم) من مستشعر الحركة:

حجم صغير مناسب لجميع أنواع المصابيح.


مخطط توصيل مستشعر الحركة:

طريقة التحكم تشغيل/إيقاف / 5 فولت PWM (تدرج)
تردد الميكروويف 5.835 جيجاهرتز - 5.875 جيجاهرتز
جهد التشغيل 7-12 فولت تيار مستمر
لون السلك الأحمر: VCC، الأسود: GND، الأبيض: PWM


تغطية الكشف من مستشعر الحركة:


ارتفاع التركيب النموذجي 2-3 م
يشير هذا الرقم إلى المسافة القصوى عند أعلى ارتفاع للتركيب مع حساسية 100%.
ارتفاع التركيب الحد الأقصى 4.5 متر/14.76 (مثبت على السقف)
نطاق الكشف الحد الأقصى للقطر 10 أمتار/32.8 قدمًا (مثبتة على السقف)
زاوية الكشف 30°~150°
كشف الحركة 0.5~1.5 متر/ثانية


تركيب مستشعر الحركة DC:

موصل ثلاثي السنون، قابس وقابس، سهل التركيب للغاية وسهل الاستخدام من قبل العميل النهائي.

احتياطات تركيب مستشعر الحركة 1. يمكن تركيب مستشعر الميكروويف في أي مصباح باستثناء المصباح ذو الغلاف المعدني الكامل.
2. لا يمكن حماية السطح المكتشف بواسطة أجسام معدنية.
3. تأكد من أن وحدة الميكروويف مكشوفة بالكامل للخارج.
4. يجب تثبيت سطح الكشف الخاص بوحدة الاستشعار في مواجهة منطقة الكشف.
5. يجب إبعاده عن السائق لتجنب حدوث تداخل ووميض المصباح.
6. يجب أن تكون الأسلاك مطابقة تمامًا لمخطط الأسلاك لتجنب حدوث ماس كهربائي.



ترك رسالة

إذا كان لديك أسئلة أو اقتراحات، يرجى ترك لنا رسالة، وسوف نقوم بالرد عليك في أقرب وقت ممكن!

ةلصلا تاذ تاجتنملا
sensor switch high bay sensor
تصميم مضغوط 12 فولت تيار مستمر مستشعر حركة عالي الخليج عمر خدمة طويل 50000 ساعة

تصميم مضغوط 12 فولت تيار مستمر مستشعر حركة عالي الخليج عمر خدمة طويل 50000 ساعة

dc motion detector
مفتاح DIP لمستشعر الحركة DC مع خاصية التعتيم PWM 0-10V لإضاءة السقف ثلاثية المقاومة

مفتاح DIP لمستشعر الحركة DC مع خاصية التعتيم PWM 0-10V لإضاءة السقف ثلاثية المقاومة

dc motion detector
مستشعر حركة تيار مستمر لتعلم سطوع الخلايا الضوئية وحصاد ضوء النهار

مستشعر حركة تيار مستمر لتعلم سطوع الخلايا الضوئية وحصاد ضوء النهار

dc motion detector
مستشعر حركة قابل للتعتيم بميكروويف تيار مستمر ذي أولوية ضوء النهار من Zhaga Book 18

مستشعر حركة قابل للتعتيم بميكروويف تيار مستمر ذي أولوية ضوء النهار من Zhaga Book 18

dc motion detector
مستشعر حركة بمدخل 12 فولت تيار مستمر مع دبابيس لاكتشاف الجسم بنصف قطر 2-5 أمتار

مستشعر حركة بمدخل 12 فولت تيار مستمر مع دبابيس لاكتشاف الجسم بنصف قطر 2-5 أمتار

dc motion detector
طول السلك 60 مم 10.5-15 فولت تيار مستمر قابل للتعتيم مستشعر الحركة حجم صغير

طول السلك 60 مم 10.5-15 فولت تيار مستمر قابل للتعتيم مستشعر الحركة حجم صغير

dc motion detector
طول السلك 300 مم جهاز التحكم عن بعد سهل التركيب مستشعر الحركة DC

طول السلك 300 مم، جهاز تحكم عن بعد، سهل التركيب، مستشعر مع مدخل تيار مستمر

dc motion detector
مستشعر ميكروويف فائق الصغر بجهد 12 فولت تيار مستمر مع وظيفة ضوء النهار لمصابيح UFO

مستشعر ميكروويف فائق الصغر بجهد 12 فولت تيار مستمر مع وظيفة ضوء النهار لمصابيح UFO

© رشنلاو عبطلا قوقح: 2026 Microtionlight ةظوفحم قوقحلا عيمج.

                                                                                         ةموعدم 6vPI ةكبش

ةموعدم 6vPI ةكبش

ةمق

ترك رسالة

ترك رسالة

    إذا كان لديك أسئلة أو اقتراحات، يرجى ترك لنا رسالة، وسوف نقوم بالرد عليك في أقرب وقت ممكن!

  • #
  • #
  • #
  • ةروصلا ثيدحت