
مستشعر حركة الميكروويف ذو التصميم المبتكر طويل المدى
ةكرام:
HAISEN.ال دنبلا:
HD401S CR)كوم( رمأ:
100PCSطسق:
L/C, T/T, Western Unionجتنملا لصأ:
Chinaشهادة:
UL,FCC,TUV,RED,CE,ROHS
مستشعر حركة الميكروويف ذو التصميم المبتكر طويل المدى
سمات:
وصف:
HD401S CR هو كاشف حركة مبتكر ونشط، يعمل بنظام تردد عالي (HF) بتردد 5.8 جيجاهرتز. يُشغّل/يُطفئ الضوء تلقائيًا بناءً على الحركة ومستوى الإضاءة المحيطة. يُمكنه التحكم في جميع أنواع المصابيح، مثل مصابيح الهالوجين والفلورسنت ومصابيح LED. يتميز بحجمه الصغير وهيكله الصغير، مما يجعله مناسبًا للتثبيت في معظم وحدات الإنارة. يُمكن اكتشاف الحركة من خلال البلاستيك والزجاج والمواد الرقيقة غير المعدنية.
وصف المنتج بالتفصيل:
التشغيل الجهد االكهربى | 120~277 فولت تيار متردد 50/60 هرتز |
قدرة التبديل | الحد الأقصى 3.0 أمبير عند 120 فولت تيار متردد؛ الحد الأقصى 2.0 أمبير عند 277 فولت تيار متردد |
الطاقة الاحتياطية | <1 وات |
منطقة الكشف | 50%/100% |
وقت الانتظار | 5 ثوانٍ/1 دقيقة/5 دقائق/10 دقائق |
عتبة ضوء النهار | 2 لوكس/10 لوكس/50 لوكس/تعطيل |
تردد الميكروويف | 5.8 جيجاهرتز ± 75 ميجاهرتز |
ارتفاع التركيب | الحد الأقصى 6 أمتار/19.68 قدمًا |
نطاق الكشف | الحد الأقصى للقطر 14 مترًا/45.92 قدمًا |
زاوية الكشف | 30°-150° |
درجة حرارة التشغيل | -20 درجة مئوية~+60 درجة مئوية |
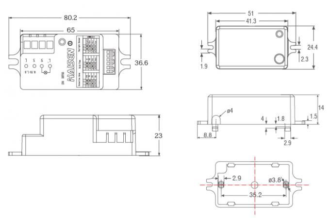
مقاس | 80.2 × 36.6 × 23 ملم |
تصنيف IP | IP20 |
ضمان | 5 سنوات |
تصميم | تصميم مضغوط |
شهادة | مدرج في قائمة cULus، FCC |
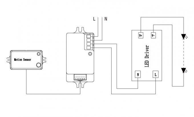
مخطط الأسلاك
الهيكل الميكانيكي(مم)
تعليمات التثبيت
تغطية الكشف
العرض التوضيحي
طلب
قباس:
مستشعر حركة الميكروويف 50 60 هرتز تشغيل وإيقاف تشغيل التعتيم مستشعر وجود الميكروويفيلاتلا:
مستشعر حركة الميكروويف بتردد 5.8 جيجاهرتز لإضاءة السقفإذا كان لديك أسئلة أو اقتراحات، يرجى ترك لنا رسالة، وسوف نقوم بالرد عليك في أقرب وقت ممكن!
تائف
ةديدج تاجتنم
مستشعر PIR IP65 12 فولت تيار مستمر مع وظيفة أولوية ضوء النهار ديزملا أرقا
مستشعر قابل للتبديل MW/PIR للخزانات العالية والمنخفضة ديزملا أرقا
مستشعر قابل للتبديل PIR/MW للخزانات العالية والمنخفضة ديزملا أرقا
مستشعر حركة الميكروويف بهوائي قضيب مع مفتاح DIP وبطانة وظيفة التشغيل والإيقاف بحجم صغير ديزملا أرقا
© رشنلاو عبطلا قوقح: 2025 Microtionlight ةظوفحم قوقحلا عيمج.
ةموعدم 6vPI ةكبش